DDL系列单片电磁离合器
产品规格
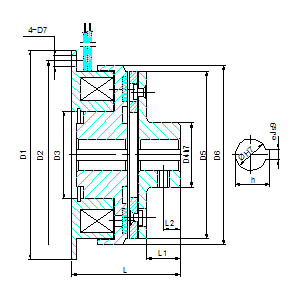
单片电磁离合器、制动器,它具有结构简单,安装方便,工作频率高,动作灵敏,无空载力矩,噪声低等特点,广泛由于印刷、造纸、包装、医疗、纺织、建筑、船舶、办公机械、计算机外围设备、仪表、通讯等机械传动系统中完成离合、换向、变速、制动、定位等功能。
单片电磁离合器、制动器,它具有结构简单,安装方便,工作频率高,动作灵敏,无空载力矩,噪声低等特点,广泛由于印刷、造纸、包装、医疗、纺织、建筑、船舶、办公机械、计算机外围设备、仪表、通讯等机械传动系统中完成离合、换向、变速、制动、定位等功能。


单片电磁离合器、制动器,它具有结构简单,安装方便,工作频率高,动作灵敏,无空载力矩,噪声低等特点,广泛由于印刷、造纸、包装、医疗、纺织、建筑、船舶、办公机械、计算机外围设备、仪表、通讯等机械传动系统中完成离合、换向、变速、制动、定位等功能。