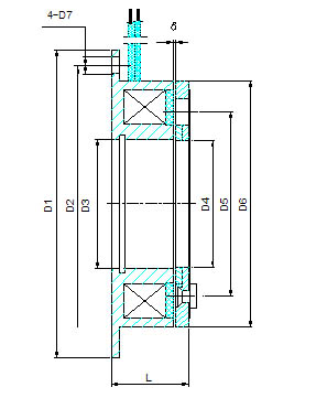
DDZ单片电磁制动器
产品规格
选购电磁离合器就到天津捷泰传动机械制造有限公司,欢迎您来电咨询13820041181。我公司是一家专业电磁离合器生产厂家,而且从事于新型电磁离合器与制动器以及电磁失电离合器与制动器的研究与生产。电磁离合器实力厂家、价格优惠。
选购电磁离合器就到天津捷泰传动机械制造有限公司,欢迎您来电咨询13820041181。我公司是一家专业电磁离合器生产厂家,而且从事于新型电磁离合器与制动器以及电磁失电离合器与制动器的研究与生产。电磁离合器实力厂家、价格优惠。

